Mô tả
Mục lục
- Đai Khởi Thủy Loại Mỏng Nối Ren MECH – Slim Type
- Thông Số Kỹ Thuật Của Đai Khởi Thủy Loại Mỏng Nối Ren MECH
- Cấu Tạo Của Đai Khởi Thủy Loại Mỏng Nối Ren MECH
- Ưu Diểm Của Đai Khởi Thủy Loại Mỏng Nối Ren MECH
- Ứng Dụng Của Đai Khởi Thủy Loại Mỏng Nối Ren MECH
- Hướng Dẫn Lắp Đặt Đai Khởi Thủy Loại Mỏng Nối Ren MECH
- Các Vấn Đề Thường Gặp Và Biện Pháp Khắc Phục
- Phân Loại Theo Vật Liệu Và Gợi Ý Lựa Chọn
- Đai Khởi Thủy Loại Mỏng Nối Ren MECH Chính Hãng, Giá Rẻ
Trong các hệ thống đường ống, việc lựa chọn phụ kiện phù hợp đóng vai trò quan trọng trong việc đảm bảo tính ổn định, hiệu quả và độ bền của toàn bộ hệ thống. Giữa nhiều lựa chọn trên thị trường, Đai Khởi Thủy Loại Mỏng Nối Ren MECH nổi bật nhờ thiết kế mỏng gọn, tinh tế và tối ưu cho không gian lắp đặt hạn chế.
Sản phẩm được chế tạo với thân đai mỏng nhưng vẫn đảm bảo độ cứng vững và khả năng chịu áp lực cao, giúp giảm trọng lượng tổng thể của hệ thống mà không làm ảnh hưởng đến độ an toàn. Kiểu dáng nhỏ gọn giúp việc thi công trở nên nhanh chóng và thuận tiện, đặc biệt khi lắp đặt trên ống chính có mật độ dày hoặc trong khu vực yêu cầu tính thẩm mỹ cao như công trình dân dụng, nhà máy, hay hệ thống tưới cảnh quan.

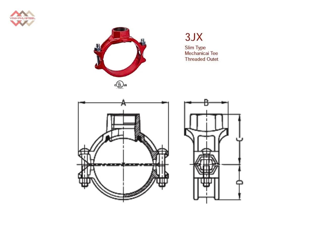
Đai Khởi Thủy Loại Mỏng Nối Ren MECH – Slim Type
Đai Khởi Thủy Loại Mỏng Nối Ren (Slim Type Mechanical Tee Thread Outlet) là một phụ kiện chuyên dùng trong hệ thống đường ống, có chức năng tạo điểm kết nối giữa ống chính và ống nhánh mà không cần cắt, hàn hay khoan phức tạp. Sản phẩm được thiết kế với thân đai mỏng, gọn nhẹ, giúp dễ dàng lắp đặt trong không gian hẹp và tăng tính thẩm mỹ cho toàn bộ hệ thống ống.
Điểm nổi bật của đai khởi thủy loại mỏng nằm ở thiết kế thân đai gọn nhẹ, phù hợp lắp đặt trong không gian hẹp hoặc những vị trí yêu cầu tính thẩm mỹ cao. Kiểu dáng mỏng giúp hệ thống đường ống trở nên tinh gọn, đồng thời vẫn đảm bảo độ bền cơ học và khả năng chịu áp lực tốt trong quá trình vận hành.
Thông Số Kỹ Thuật Của Đai Khởi Thủy Loại Mỏng Nối Ren MECH
Thông số chính của Đai ôm khởi thủy Light MECH:
- Tên sản phẩm: Đai khởi thủy nối ren.
- Kích thước chính – nhánh rẽ (Outlet size): Từ DN65x25 đến DN100x65
- Bề mặt: Bề mặt đen, sơn thường, sơn epoxy, mạ kẽm, kẽm nhúng nóng.
- Vật liệu thân khớp: Gang dẻo (ASTM A536, Grade 65-45-12), thép đúc (QT450-10)
- Kiểu kết nối nhánh: Ren
- Bulong: Thép mạ kẽm, inox
- Gioăng cao su (Gasket): EPDM / NBR, chịu nhiệt và áp lực
- Áp suất làm việc (Working pressure): 300 PSI (20.7 bar)
- Ứng dụng: Hệ thống PCCC (sprinkler), HVAC, cấp thoát nước, hệ thống ống công nghiệp.
- Phân phối: Thép Vinh Phú

Để tìm hiểu chi tiết thông tin chi tiết từ nhà sản xuất MECH, bạn tải Catalogue tại đây.
Cấu Tạo Của Đai Khởi Thủy Loại Mỏng Nối Ren MECH
Đai Khởi Thủy Loại Mỏng Nối Ren (Slim Type Mechanical Tee Thread Outlet) được thiết kế với kết cấu tinh gọn nhưng đảm bảo đầy đủ các chi tiết cần thiết để tạo mối nối bền chắc và kín khít trên đường ống. Cấu tạo cơ bản của sản phẩm gồm các bộ phận chính sau:
1. Thân đai (Body)
- Là bộ phận quan trọng nhất, chịu lực chính khi lắp đặt trên ống.
- Được đúc từ vật liệu gang dẻo (ASTM A536, Grade 65-45-12) hoặc thép đúc (QT450-10) có độ bền cao, khả năng chịu áp lực và chống va đập tốt.
- Thiết kế thân mỏng gọn giúp giảm trọng lượng, tăng tính thẩm mỹ và dễ dàng lắp đặt trong không gian hạn chế.
- Bề mặt được xử lý bằng nhiều phương pháp như sơn thường, sơn epoxy, mạ kẽm, kẽm nhúng nóng hoặc để bề mặt đen, nhằm tăng khả năng chống ăn mòn và thích nghi với nhiều điều kiện môi trường khác nhau.
2. Cổ nối ren (Thread Outlet)
- Là phần kết nối với ống nhánh hoặc phụ kiện ren ngoài.
- Ren được gia công chính xác theo tiêu chuẩn, đảm bảo liên kết chắc chắn, kín khít và dễ tháo lắp khi cần bảo trì hoặc thay thế.
- Thiết kế phù hợp cho nhiều kích thước và tiêu chuẩn ống ren khác nhau (BSPT, NPT, v.v…).
3. Gioăng cao su (Rubber Gasket)
- Được lắp bên trong giữa thân đai và bề mặt ống, có tác dụng tạo độ kín và ngăn rò rỉ nước hoặc chất lỏng.
- Thường làm bằng EPDM hoặc NBR tùy theo môi trường sử dụng (nước sạch, dầu, khí nén…).
4. Bu lông và đai ốc (Bolt & Nut)
- Dùng để siết chặt hai nửa thân đai vào ống chính, đảm bảo liên kết chắc chắn và ổn định.
- Được làm từ thép cacbon mạ kẽm hoặc inox để tăng khả năng chống gỉ và chịu lực tốt.
5. Vòng đệm và phụ kiện kèm theo
- Một số phiên bản có thêm vòng đệm kim loại hoặc vòng gia cường nhằm tăng độ bền cơ học và ổn định của mối nối.

Ưu Diểm Của Đai Khởi Thủy Loại Mỏng Nối Ren MECH
Đai Khởi Thủy Loại Mỏng Nối Ren (Slim Type Mechanical Tee Thread Outlet) không chỉ nổi bật nhờ thiết kế mỏng gọn và thẩm mỹ, mà còn mang lại nhiều lợi ích vượt trội trong thi công và vận hành hệ thống đường ống. Dưới đây là những ưu điểm nổi bật nhất:
1. Thiết kế mỏng gọn, tiết kiệm không gian
- Thân đai được thiết kế mỏng hơn so với các dòng đai thông thường, giúp giảm chiếm diện tích lắp đặt.
- Rất phù hợp cho các hệ thống ống lắp đặt trong không gian hạn chế, trần kỹ thuật hoặc khu vực yêu cầu gọn gàng, tinh tế.
2. Tăng tính thẩm mỹ cho hệ thống đường ống
- Bề mặt được xử lý đa dạng như sơn epoxy, sơn thường, mạ kẽm hoặc kẽm nhúng nóng, giúp sản phẩm có vẻ ngoài hiện đại và đồng bộ với toàn bộ hệ thống.
- Thiết kế tối giản giúp tăng tính thẩm mỹ tổng thể, đặc biệt trong các công trình dân dụng, tòa nhà thương mại và nhà máy có yêu cầu cao về hình thức.
3. Dễ thi công và lắp đặt nhanh chóng
- Cấu tạo đơn giản, trọng lượng nhẹ giúp rút ngắn thời gian thi công, không cần hàn, cắt hoặc khoan phức tạp.
- Cơ chế nối ren chính xác giúp việc đấu nối ống nhánh nhanh gọn, dễ tháo lắp khi cần bảo trì hoặc thay thế.
4. Kín khít và bền bỉ
- Nhờ gioăng cao su EPDM/NBR chất lượng cao và đầu nối ren được gia công chuẩn, đai đảm bảo độ kín khít tuyệt đối, ngăn rò rỉ nước hoặc chất lỏng.
- Thân đai bằng gang dẻo ASTM A536 hoặc thép đúc QT450-10 cho khả năng chịu áp lực và chống ăn mòn vượt trội, phù hợp với nhiều môi trường sử dụng.
5. Tính linh hoạt cao trong ứng dụng
- Có thể sử dụng cho nhiều loại ống khác nhau (ống thép, ống mạ kẽm, ống gang, ống inox…).
- Dễ dàng thay đổi vị trí lắp đặt, mở rộng nhánh cấp nước hoặc cải tạo hệ thống mà không cần thay toàn bộ đường ống.
6. Tiết kiệm chi phí và thời gian bảo trì
- Giảm đáng kể thời gian thi công, nhân công và chi phí phụ kiện so với các phương pháp hàn nối truyền thống.
- Kết cấu bền chắc, ít hư hỏng giúp kéo dài tuổi thọ hệ thống và hạn chế chi phí bảo dưỡng định kỳ.
Ứng Dụng Của Đai Khởi Thủy Loại Mỏng Nối Ren MECH
Với thiết kế mỏng gọn, dễ thi công, thẩm mỹ cao và khả năng kết nối chắc chắn, Đai Khởi Thủy Loại Mỏng Nối Ren (Slim Type Mechanical Tee Thread Outlet) được ứng dụng rộng rãi trong nhiều lĩnh vực khác nhau, từ dân dụng đến công nghiệp nặng.
1. Hệ thống cấp thoát nước dân dụng và công nghiệp
- Dùng để tạo điểm nhánh cấp nước hoặc thoát nước từ ống chính mà không cần cắt hàn, giúp thi công nhanh và giảm chi phí.
- Phù hợp cho các tòa nhà cao tầng, nhà xưởng, khu công nghiệp hoặc hệ thống ống ngầm yêu cầu độ kín khít và thẩm mỹ cao.
2. Hệ thống phòng cháy chữa cháy (PCCC)
- Là phụ kiện quan trọng trong đường ống PCCC dạng nối rãnh hoặc ren, giúp mở nhánh đấu nối đầu phun, van hoặc đồng hồ áp lực.
- Thiết kế nhỏ gọn giúp dễ dàng bố trí trên tuyến ống chính trong không gian hẹp, đặc biệt ở khu vực trần kỹ thuật.
3. Hệ thống xử lý nước và nhà máy cấp nước
- Ứng dụng trong các trạm xử lý nước, hệ thống lọc nước, nhà máy cấp nước sạch, nơi cần nhiều điểm nhánh để đấu nối thiết bị đo, van xả hoặc ống phụ trợ.
- Bề mặt mạ kẽm, sơn epoxy hoặc kẽm nhúng nóng giúp tăng khả năng chống ăn mòn, chống rỉ sét trong môi trường ẩm ướt.
4. Hệ thống tưới tiêu nông nghiệp và cảnh quan
- Giúp tạo điểm nhánh cho ống tưới nhỏ giọt hoặc ống nhánh cấp nước trong các hệ thống tưới tự động, tưới vườn và cảnh quan đô thị.
- Thi công đơn giản, không cần thiết bị phức tạp, phù hợp cho các dự án ngoài trời hoặc hệ thống có yêu cầu lắp đặt nhanh.
5. Hệ thống HVAC và cơ điện (MEP)
- Sử dụng trong đường ống dẫn nước lạnh, nước nóng hoặc dung dịch kỹ thuật, giúp mở nhánh cấp cho thiết bị làm mát, trao đổi nhiệt hoặc cảm biến áp suất.
- Thiết kế mỏng giúp tiết kiệm không gian, đồng thời đảm bảo tính thẩm mỹ cho hệ thống cơ điện tổng thể.
Hướng Dẫn Lắp Đặt Đai Khởi Thủy Loại Mỏng Nối Ren MECH
Để Đai Khởi Thủy Loại Mỏng Nối Ren (Slim Type) hoạt động hiệu quả, đảm bảo độ kín khít và tuổi thọ lâu dài, việc lắp đặt đúng kỹ thuật là yếu tố cực kỳ quan trọng. Dưới đây là quy trình lắp đặt tiêu chuẩn được khuyến nghị bởi các nhà sản xuất:
1. Chuẩn bị trước khi lắp đặt
- Kiểm tra kích thước và tiêu chuẩn của ống chính và đai khởi thủy, đảm bảo tương thích với nhau.
- Làm sạch bề mặt ống tại vị trí cần lắp đặt — loại bỏ bụi bẩn, dầu mỡ, gỉ sét hoặc sơn cũ để tăng độ bám và độ kín cho gioăng cao su.
- Chuẩn bị đầy đủ dụng cụ thi công: cờ lê, thước đo, bút đánh dấu, tua vít, mỡ bôi trơn ren (nếu cần).
2. Định vị vị trí lắp đặt
- Xác định chính xác vị trí trên ống chính nơi cần tạo điểm nhánh.
- Dùng bút đánh dấu khu vực lắp đặt, đảm bảo khoảng cách giữa các đai khởi thủy phù hợp với thiết kế hệ thống (thông thường tối thiểu 150–200 mm).
3. Khoan lỗ trên ống chính (nếu cần)
- Sử dụng mũi khoan chuyên dụng để khoan lỗ tại vị trí đã đánh dấu, kích thước lỗ phải phù hợp với đường kính cổ ren (Thread Outlet) của đai.
- Sau khi khoan, vệ sinh sạch ba via và mạt sắt để không ảnh hưởng đến gioăng và độ kín khít.
4. Lắp đặt thân đai
- Mở rời hai nửa thân đai.
- Đặt gioăng cao su (gasket) vào đúng rãnh bên trong thân đai, đảm bảo bề mặt tiếp xúc đều.
- Đặt nửa thân có cổ ren lên vị trí khoan lỗ, sau đó ép nửa còn lại vào mặt đối diện của ống.
- Căn chỉnh sao cho cổ ren hướng đúng hướng ống nhánh cần kết nối.
5. Siết bu lông và đai ốc
- Lắp bu lông và đai ốc theo đúng vị trí, siết chặt đều tay theo hình chéo để áp lực phân bố đồng đều lên gioăng cao su.
- Không siết quá mạnh để tránh làm biến dạng thân đai hoặc hỏng gioăng.
- Sau khi siết xong, kiểm tra lại độ chắc chắn và độ khít của toàn bộ cụm lắp đặt.
6. Kết nối ống nhánh
- Quấn băng tan (PTFE tape) hoặc dùng keo ren chuyên dụng lên phần ren ngoài của ống nhánh.
- Vặn chặt vào cổ ren của đai khởi thủy, đảm bảo liên kết kín và thẳng trục.
- Nếu cần, dùng cờ lê giữ cố định nhẹ để tránh xoắn vặn gây nứt ren hoặc lỏng đai.
7. Kiểm tra sau khi lắp đặt
- Sau khi hoàn tất, tiến hành thử áp lực đường ống để kiểm tra rò rỉ.
- Nếu phát hiện rò rỉ nhẹ, siết đều lại các bu lông hoặc kiểm tra gioăng cao su có bị lệch hay hở không.
- Khi hệ thống đạt yêu cầu, vệ sinh khu vực thi công và hoàn tất quy trình.
Các Vấn Đề Thường Gặp Và Biện Pháp Khắc Phục
Trong quá trình sử dụng Đai Khởi Thủy Loại Mỏng Nối Ren, người dùng có thể gặp một số sự cố kỹ thuật ảnh hưởng đến khả năng vận hành và độ kín của hệ thống. Dưới đây là những vấn đề phổ biến cùng hướng xử lý hiệu quả:
1. Rò rỉ nước tại vị trí nối ren
- Nguyên nhân:
- Lắp đặt sai ren hoặc siết không đủ lực.
- Không sử dụng băng tan hoặc keo ren đúng cách.
- Ren bị hư, mòn hoặc dính dị vật.
- Biện pháp khắc phục:
- Làm sạch kỹ ren trước khi lắp.
- Quấn băng tan (PTFE) đều và đúng chiều.
- Kiểm tra lại độ siết, không nên siết quá chặt gây nứt đầu ren.
- Thay mới phụ kiện nếu ren đã bị hư hỏng nặng.
2. Đai khởi thủy không bám khít vào ống chính
- Nguyên nhân:
- Bề mặt ống chính bị gỉ sét, bám cặn hoặc không đồng đều.
- Lắp sai vị trí, không đúng bán kính ống.
- Gioăng cao su lắp lệch hoặc bị rách.
- Biện pháp khắc phục:
- Làm sạch bề mặt ống và đo đúng kích thước trước khi lắp.
- Đảm bảo gioăng cao su đúng chủng loại, lắp đúng rãnh.
- Dùng cờ lê siết đều hai bên để đảm bảo lực ép phân bổ đồng đều.
3. Nứt vỡ thân đai trong quá trình lắp đặt
- Nguyên nhân:
- Siết bu lông quá chặt vượt giới hạn cho phép.
- Sử dụng đai không đúng với áp lực hoặc kích cỡ hệ thống.
- Biện pháp khắc phục:
- Tuân thủ moment siết tiêu chuẩn của nhà sản xuất.
- Lựa chọn đai đúng với kích cỡ ống và áp suất danh định (PN).
- Tránh tác động va đập cơ học khi lắp.
4. Ăn mòn hoặc giảm độ bền bề mặt theo thời gian
- Nguyên nhân:
- Lắp đặt trong môi trường ẩm, hóa chất hoặc ăn mòn cao mà không chọn lớp phủ phù hợp.
- Lớp sơn bảo vệ bị bong tróc, không bảo trì định kỳ.
- Biện pháp khắc phục:
- Sử dụng loại sơn epoxy hoặc mạ kẽm nhúng nóng cho môi trường ăn mòn.
- Kiểm tra định kỳ, sơn phủ lại bề mặt khi cần.
- Giữ môi trường lắp đặt khô thoáng nếu có thể.
5. Áp suất hoặc rung động hệ thống làm lỏng mối nối
- Nguyên nhân:
- Hệ thống hoạt động trong điều kiện áp lực hoặc rung động lớn mà không có biện pháp cố định.
- Biện pháp khắc phục:
- Dùng giá đỡ hoặc clamp cố định đường ống gần vị trí lắp đai.
- Kiểm tra định kỳ các bu lông và đầu nối, siết lại khi cần thiết.
Phân Loại Theo Vật Liệu Và Gợi Ý Lựa Chọn
Đai Khởi Thủy Loại Mỏng Nối Ren (Slim Type Mechanical Tee Thread Outlet) được sản xuất từ nhiều loại vật liệu khác nhau nhằm đáp ứng các yêu cầu kỹ thuật, điều kiện môi trường và đặc tính của từng hệ thống đường ống. Mỗi loại vật liệu mang đến những ưu điểm riêng về độ bền, khả năng chịu áp, chống ăn mòn và tính kinh tế.
1. Gang Dẻo (Ductile Iron – ASTM A536, Grade 65-45-12)
- Đặc điểm:
- Có độ dẻo và độ bền kéo cao hơn gang xám truyền thống.
- Bề mặt có thể phủ sơn đen, sơn thường hoặc sơn epoxy để tăng khả năng chống oxy hóa.
- Trọng lượng nhẹ hơn thép, dễ gia công và lắp đặt.
- Ưu điểm:
- Cấu trúc mỏng gọn, chịu lực tốt, giá thành hợp lý.
- Phù hợp cho hầu hết hệ thống cấp nước, thoát nước, PCCC và đường ống công nghiệp.
- Gợi ý lựa chọn:
- Nên chọn loại sơn epoxy nếu sử dụng trong môi trường ẩm hoặc có hơi hóa chất nhẹ.
- Dùng phổ biến cho đường ống trung áp, môi trường trong nhà hoặc khu vực ít ăn mòn.
2. Thép Đúc (Cast Steel – QT450-10)
- Đặc điểm:
- Có độ cứng và khả năng chịu áp suất cao hơn gang dẻo.
- Thích hợp cho các ứng dụng yêu cầu độ bền cơ học lớn và nhiệt độ cao.
- Bề mặt thường được mạ kẽm hoặc kẽm nhúng nóng để chống rỉ sét.
- Ưu điểm:
- Chịu được va đập mạnh, áp lực nước cao, rung động lớn.
- Tuổi thọ cao trong điều kiện vận hành khắc nghiệt.
- Gợi ý lựa chọn:
- Dùng cho đường ống áp suất cao, hệ thống PCCC, HVAC, và nhà máy công nghiệp nặng.
- Nên chọn mạ kẽm nhúng nóng nếu lắp ngoài trời hoặc trong môi trường có tính ăn mòn cao.
3. Gợi Ý Chung Khi Lựa Chọn Đai Khởi Thủy Loại Mỏng Nối Ren
| Tiêu chí lựa chọn | Khuyến nghị |
| Môi trường khô ráo, trong nhà | Gang dẻo sơn đen hoặc sơn epoxy |
| Môi trường ẩm, gần biển, có hơi hóa chất | Gang dẻo sơn epoxy hoặc thép đúc mạ kẽm |
| Hệ thống áp suất cao, rung động mạnh | Thép đúc QT450-10, mạ kẽm nhúng nóng |
| Ưu tiên thẩm mỹ, lắp trong khu vực lộ thiên | Gang dẻo sơn epoxy, thiết kế mỏng gọn |
| Hệ thống PCCC hoặc HVAC | Thép đúc hoặc gang dẻo epoxy chống ăn mòn tốt |
Đai Khởi Thủy Loại Mỏng Nối Ren MECH Chính Hãng, Giá Rẻ
Với nhiều năm kinh nghiệm trong ngành cung cấp vật tư đường ống công nghiệp, Thép Vinh Phú tự hào là đơn vị phân phối và cung cấp Đai Khởi Thủy Loại Mỏng Nối Ren chính hãng với chất lượng cao và giá cả cạnh tranh. Sản phẩm được thiết kế mỏng gọn, thẩm mỹ, dễ lắp đặt, phù hợp cho các hệ thống cấp thoát nước, PCCC, tưới tiêu và công nghiệp.
Chúng tôi cam kết mang đến sản phẩm chất lượng, nguồn gốc rõ ràng và dịch vụ hỗ trợ tận tâm, giúp khách hàng tiết kiệm thời gian thi công, đảm bảo độ bền và hiệu quả vận hành lâu dài cho mọi công trình.
Hãy liên hệ ngay Thép Vinh Phú để nhận báo giá mới & tốt nhất
Hotline: 0933 710 789
Một số thông tin liên quan:
CÔNG TY CỔ PHẦN THÉP VINH PHÚ
Nhà phân phối Thép & thiết bị PCCC hàng đầu tại Hà Nội và trên toàn quốc
- Điện thoại: 0933.710.789 – 0934.297.789
- Email: ketoanthepvinhphu@gmail.com
- Website: www.thepvinhphu.com




