Mô tả
Mục lục
- Van Bướm Gang Dạng Wafer Joeun Korea – Butterfly Valve
- Thông Số Van Bướm Gang Dạng Wafer Joeun Korea
- Cấu Tạo Van Bướm Gang Dạng Wafer Joeun Korea
- Ứng Dụng Van Bướm Gang Dạng Wafer Joeun Korea
- Nguyên Lý Hoạt Động Van Bướm Gang Dạng Wafer Jouen Korea
- Hướng Dẫn Lắp Đặt Van Bướm Gang Dạng Wafer Đúng Kỹ Thuật
- Vấn Đề Thường Gặp Và Biện Pháp Khắc Phục Khi Sử Dụng
- Cách Bảo Dưỡng Van Bướm Gang Dạng Wafer Đúng Kỹ Thuật
- Mua Van Bướm Gang Dạng Wafer Joeun Korea Chính Hãng
Trong các hệ thống đường ống công nghiệp hiện nay, việc lựa chọn loại van phù hợp không chỉ ảnh hưởng đến hiệu quả vận hành mà còn quyết định độ an toàn và tuổi thọ của toàn bộ hệ thống. Van Bướm Gang Dạng Wafer Joeun Korea là một trong những giải pháp được nhiều kỹ sư và nhà thầu tin dùng nhờ thiết kế gọn nhẹ, độ kín cao và khả năng làm việc ổn định trong môi trường nước, hơi và khí nén.
Với tiêu chuẩn sản xuất nghiêm ngặt từ Hàn Quốc, sản phẩm không chỉ đáp ứng tốt yêu cầu kỹ thuật mà còn tối ưu chi phí đầu tư cho các công trình dân dụng và công nghiệp.

Van Bướm Gang Dạng Wafer Joeun Korea – Butterfly Valve
Van bướm gang dạng wafer là dòng van công nghiệp được sử dụng rộng rãi trong các hệ thống đường ống nhờ thiết kế nhỏ gọn, dễ lắp đặt và khả năng đóng/mở dòng chảy nhanh chóng. Van hoạt động dựa trên cơ chế xoay đĩa van quanh trục, giúp điều tiết hoặc ngắt hoàn toàn lưu chất chỉ với một góc quay 90°.
Thân van được chế tạo từ gang cầu, mang lại độ bền cơ học cao, khả năng chịu áp lực và làm việc ổn định trong nhiều điều kiện môi trường khác nhau. Thiết kế dạng wafer cho phép van được lắp kẹp trực tiếp giữa hai mặt bích của đường ống, không cần bu lông xuyên thân, từ đó giúp tiết kiệm không gian, giảm trọng lượng và tối ưu chi phí lắp đặt.
Với cấu tạo đơn giản, vận hành linh hoạt và độ kín tốt, van bướm gang dạng wafer được ứng dụng phổ biến trong các hệ thống cấp thoát nước, phòng cháy chữa cháy, HVAC, khí nén và hơi nước áp suất thấp đến trung bình. Đây là lựa chọn phù hợp cho nhà máy, khu công nghiệp, tòa nhà và nhiều công trình kỹ thuật khác.
Thông Số Van Bướm Gang Dạng Wafer Joeun Korea
Thông số kỹ thuật cơ bản bao gồm:
- Vật liệu thân van: Gang dẻo
- Kiểu van: Van bướm – Butterfly Valve
- Kiểu kết nối: Nối bích dạng wafer
- Điều khiển: Tay gạt – điện
- Kích thước van: DN40 – DN150.
- Áp suất làm việc: 2.0 Mpa
- Nhiệt độ làm việc: Đến 180°C
- Môi trường sử dụng: Hơi
- Nhà cung cấp: Thép Vinh Phú

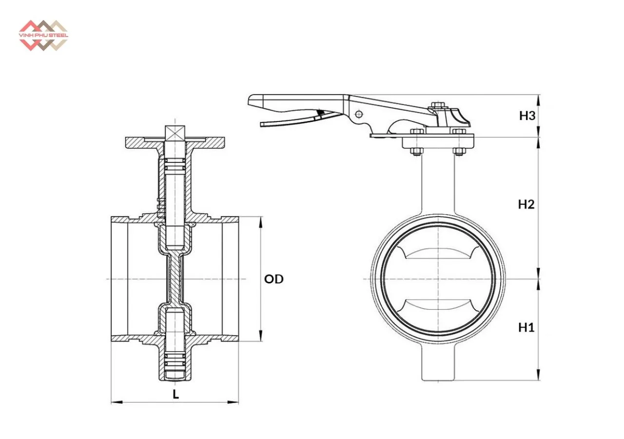
Cấu Tạo Van Bướm Gang Dạng Wafer Joeun Korea
Van bướm gang dạng wafer có cấu tạo tương đối đơn giản nhưng đảm bảo khả năng đóng/mở nhanh, độ kín cao và vận hành ổn định. Các bộ phận chính bao gồm:
1. Thân van (Body)
Thân van được chế tạo từ gang xám hoặc gang cầu (phổ biến như GCD 450), có nhiệm vụ bao bọc và cố định toàn bộ các chi tiết bên trong. Thiết kế dạng wafer mỏng, lắp kẹp giữa hai mặt bích đường ống, giúp tiết kiệm không gian và giảm trọng lượng tổng thể.
2. Đĩa van (Disc)
Đĩa van là bộ phận trực tiếp tiếp xúc và điều tiết dòng chảy. Khi vận hành, đĩa xoay một góc 90° để đóng hoặc mở van. Đĩa thường được làm từ gang, inox hoặc thép phủ epoxy, giúp tăng khả năng chống ăn mòn và đảm bảo độ bền trong quá trình sử dụng.
3. Trục van (Stem/Shaft)
Trục van kết nối giữa bộ phận điều khiển và đĩa van, truyền chuyển động xoay để đóng/mở van. Trục thường được chế tạo từ thép không gỉ, có độ cứng và khả năng chịu lực tốt, đảm bảo vận hành ổn định và chính xác.
4. Gioăng làm kín (Seat)
Gioăng làm kín có nhiệm vụ ngăn rò rỉ lưu chất khi van đóng. Vật liệu gioăng phổ biến gồm EPDM, NBR, PTFE, phù hợp với từng môi trường sử dụng như nước, khí, hơi hoặc hóa chất nhẹ.
5. Bộ phận điều khiển
Van bướm gang dạng wafer có thể sử dụng nhiều kiểu điều khiển khác nhau như:
- Tay gạt: phù hợp với van kích thước nhỏ, thao tác nhanh.
- Tay quay (hộp số): dùng cho van kích thước lớn, giúp vận hành nhẹ nhàng hơn.
- Bộ điều khiển điện hoặc khí nén: áp dụng cho hệ thống tự động hóa.
Nhờ cấu tạo gọn nhẹ, ít chi tiết phức tạp và dễ bảo trì, van bướm gang dạng wafer là lựa chọn hiệu quả cho nhiều hệ thống đường ống công nghiệp và dân dụng.

Ứng Dụng Van Bướm Gang Dạng Wafer Joeun Korea
Với thiết kế nhỏ gọn, độ kín cao và khả năng vận hành linh hoạt, van bướm gang dạng wafer được ứng dụng rộng rãi trong nhiều lĩnh vực và hệ thống đường ống khác nhau, cụ thể:
1. Hệ thống cấp thoát nước
Van được sử dụng để đóng/mở, điều tiết lưu lượng nước sạch, nước sinh hoạt và nước thải trong các công trình dân dụng, khu đô thị, nhà máy xử lý nước.
2. Hệ thống phòng cháy chữa cháy (PCCC)
Van bướm gang dạng wafer là lựa chọn phổ biến trong hệ thống PCCC nhờ khả năng đóng mở nhanh, độ bền cao và hoạt động ổn định trong điều kiện áp lực làm việc liên tục.
3. Hệ thống HVAC – điều hòa không khí
Trong các hệ thống làm mát, thông gió và điều hòa trung tâm, van giúp kiểm soát lưu lượng nước lạnh, nước nóng, góp phần tối ưu hiệu suất vận hành của toàn hệ thống.
4. Hệ thống khí nén
Van được lắp đặt trong các đường ống khí nén áp suất thấp đến trung bình, đảm bảo khả năng đóng/mở an toàn và giảm tổn thất áp suất.
5. Hệ thống hơi nước áp suất thấp
Với vật liệu gang bền chắc và gioăng làm kín phù hợp, van bướm gang dạng wafer có thể sử dụng trong các hệ thống hơi nước áp suất thấp, phổ biến tại nhà xưởng và khu công nghiệp.
6. Nhà máy và khu công nghiệp
Van được ứng dụng trong nhiều ngành như sản xuất thực phẩm, nước giải khát, dệt may, xử lý nước thải và các dây chuyền công nghiệp khác.
Nhờ tính linh hoạt, dễ lắp đặt và chi phí hợp lý, van bướm gang dạng wafer đáp ứng tốt yêu cầu kỹ thuật của nhiều công trình từ dân dụng đến công nghiệp.
Nguyên Lý Hoạt Động Van Bướm Gang Dạng Wafer Jouen Korea
Van bướm gang dạng wafer hoạt động dựa trên chuyển động xoay của đĩa van quanh trục, cho phép đóng, mở hoặc điều tiết lưu lượng dòng chảy một cách nhanh chóng và hiệu quả.
Trạng thái mở van
Khi bộ phận điều khiển (tay gạt, tay quay hoặc bộ truyền động) tác động lên trục van, đĩa van xoay song song với hướng dòng chảy. Lúc này, lưu chất đi qua van gần như không bị cản trở, tổn thất áp suất thấp và dòng chảy ổn định.
Trạng thái đóng van
Khi xoay đĩa van vuông góc với dòng chảy, đĩa ép chặt vào gioăng làm kín xung quanh thân van. Nhờ đó, dòng lưu chất bị chặn hoàn toàn, đảm bảo độ kín và hạn chế rò rỉ.
Khả năng điều tiết lưu lượng
Ngoài hai trạng thái đóng và mở hoàn toàn, van bướm gang dạng wafer còn có thể điều chỉnh lưu lượng bằng cách xoay đĩa ở các góc mở khác nhau. Điều này giúp kiểm soát dòng chảy linh hoạt theo yêu cầu vận hành của hệ thống.
Đặc điểm nổi bật trong vận hành
- Góc quay nhỏ (90°) giúp thao tác nhanh và tiết kiệm thời gian
- Cơ chế đơn giản, ít ma sát nên độ bền cao
- Phù hợp với cả vận hành thủ công và tự động hóa
Nhờ nguyên lý hoạt động đơn giản nhưng hiệu quả, van bướm gang dạng wafer được ứng dụng rộng rãi trong các hệ thống nước, khí, HVAC và hơi áp suất thấp đến trung bình
Hướng Dẫn Lắp Đặt Van Bướm Gang Dạng Wafer Đúng Kỹ Thuật
Để van bướm gang dạng wafer hoạt động ổn định, kín khít và bền lâu, quá trình lắp đặt cần thực hiện đúng kỹ thuật theo các bước sau:
1. Kiểm tra trước khi lắp đặt
- Kiểm tra kích thước van có phù hợp với đường ống và tiêu chuẩn mặt bích hay không
- Đảm bảo thân van, đĩa van và gioăng làm kín không bị nứt, cong vênh hay hư hỏng
- Làm sạch bên trong đường ống, loại bỏ cặn bẩn, dị vật có thể gây kẹt đĩa van
2. Chuẩn bị vị trí lắp đặt
- Đặt van ở vị trí giữa hai mặt bích của đường ống
- Canh chỉnh van sao cho tâm van trùng với tâm đường ống để tránh lệch tâm khi vận hành
- Đảm bảo không có lực ép hoặc ứng suất tác động lên thân van
3. Lắp van vào đường ống
- Mở nhẹ đĩa van (khoảng 5–10°) để tránh làm hỏng gioăng trong quá trình lắp
- Đặt van vào giữa hai mặt bích, luồn bulong và siết tạm đều các vị trí
- Siết bulong theo hình chữ thập, từng bước và đồng đều để đảm bảo van được ép cân bằng
4. Kiểm tra sau lắp đặt
- Đóng/mở van thử nhiều lần để kiểm tra độ trơn tru
- Đảm bảo đĩa van không cọ vào thành ống
- Kiểm tra độ kín tại vị trí lắp, tránh hiện tượng rò rỉ
5. Lưu ý quan trọng khi sử dụng
- Không dùng van bướm gang dạng wafer cho áp suất hoặc nhiệt độ vượt quá thông số cho phép
- Tránh lắp van ở vị trí chịu rung động mạnh hoặc lực uốn lớn
- Thực hiện bảo trì, kiểm tra định kỳ để kéo dài tuổi thọ van
Việc lắp đặt đúng kỹ thuật không chỉ giúp van bướm gang dạng wafer hoạt động hiệu quả mà còn đảm bảo an toàn và độ bền cho toàn bộ hệ thống đường ống
Vấn Đề Thường Gặp Và Biện Pháp Khắc Phục Khi Sử Dụng
Trong quá trình vận hành, van bướm gang dạng wafer có thể gặp một số sự cố kỹ thuật nếu lắp đặt hoặc sử dụng chưa đúng cách. Dưới đây là các vấn đề phổ biến và biện pháp khắc phục tương ứng:
1. Van bị rò rỉ lưu chất
Nguyên nhân:
- Gioăng làm kín bị mòn, rách hoặc lắp sai vị trí
- Mặt bích siết không đều, van bị lệch tâm
- Áp suất làm việc vượt quá giới hạn cho phép
Biện pháp:
- Kiểm tra và thay thế gioăng làm kín phù hợp
- Siết lại bulong theo hình chữ thập, đảm bảo lực đều
- Sử dụng van đúng thông số áp suất, nhiệt độ
2. Van đóng/mở nặng, khó vận hành
Nguyên nhân:
- Cặn bẩn bám vào đĩa van hoặc trục van
- Trục van bị khô, thiếu bôi trơn
- Van sử dụng lâu ngày nhưng không bảo trì
Biện pháp:
- Vệ sinh đĩa van và khu vực trục
- Bôi trơn trục van định kỳ
- Thực hiện bảo dưỡng theo chu kỳ khuyến nghị
3. Đĩa van bị kẹt hoặc không đóng kín hoàn toàn
Nguyên nhân:
- Dị vật trong đường ống
- Lắp đặt van sai tâm hoặc sai tiêu chuẩn mặt bích
- Gioăng bị biến dạng do nhiệt độ cao
Biện pháp:
- Tháo van, làm sạch đường ống trước khi lắp lại
- Canh chỉnh đúng tâm khi lắp đặt
- Chọn vật liệu gioăng phù hợp với môi trường làm việc
4. Van nhanh xuống cấp, giảm tuổi thọ
Nguyên nhân:
- Môi trường lưu chất có tính ăn mòn cao
- Lựa chọn vật liệu thân, đĩa và gioăng không phù hợp
- Van thường xuyên làm việc ở trạng thái điều tiết liên tục
Biện pháp:
- Sử dụng van có lớp phủ epoxy hoặc vật liệu chống ăn mòn
- Chọn đúng vật liệu theo từng môi trường sử dụng
- Hạn chế dùng van bướm để điều tiết lưu lượng trong thời gian dài
5. Rung lắc, phát tiếng ồn khi vận hành
Nguyên nhân:
- Dòng chảy quá lớn hoặc áp suất không ổn định
- Van lắp tại vị trí gần bơm hoặc nguồn rung
Biện pháp:
- Điều chỉnh lưu lượng phù hợp
- Lắp thêm thiết bị giảm rung hoặc thay đổi vị trí lắp đặt
Việc nhận biết sớm các vấn đề thường gặp và áp dụng đúng biện pháp khắc phục sẽ giúp van bướm gang dạng wafer hoạt động ổn định, an toàn và kéo dài tuổi thọ cho toàn bộ hệ thống.
Cách Bảo Dưỡng Van Bướm Gang Dạng Wafer Đúng Kỹ Thuật
Bảo dưỡng định kỳ giúp van bướm gang dạng wafer vận hành ổn định, hạn chế sự cố và kéo dài tuổi thọ. Dưới đây là các bước và lưu ý quan trọng trong quá trình bảo dưỡng:
1. Kiểm tra định kỳ theo chu kỳ
- Thực hiện kiểm tra van theo lịch bảo trì của hệ thống (3–6 tháng/lần hoặc theo tần suất sử dụng)
- Quan sát tình trạng rò rỉ tại thân van, gioăng và trục van
- Kiểm tra độ trơn tru khi đóng/mở
2. Vệ sinh van
- Ngắt hoàn toàn lưu chất trước khi bảo dưỡng
- Làm sạch bề mặt đĩa van và bên trong thân van, loại bỏ cặn bẩn, rỉ sét hoặc tạp chất
- Tránh dùng vật cứng gây trầy xước bề mặt làm kín
3. Bôi trơn trục van
- Sử dụng mỡ bôi trơn phù hợp cho môi trường làm việc
- Bôi trơn trục van và các bộ phận chuyển động để giảm ma sát, giúp van vận hành nhẹ nhàng hơn
- Không bôi trơn trực tiếp lên gioăng làm kín
4. Kiểm tra và thay thế gioăng làm kín
- Kiểm tra tình trạng gioăng (EPDM, NBR, PTFE…)
- Nếu gioăng bị mòn, cứng hoặc biến dạng, cần thay thế kịp thời
- Chọn đúng vật liệu gioăng theo môi trường lưu chất và nhiệt độ làm việc
5. Kiểm tra bộ phận điều khiển
- Với tay gạt hoặc tay quay: kiểm tra độ chắc chắn, tránh lỏng lẻo
- Với bộ điều khiển điện hoặc khí nén: kiểm tra tín hiệu, nguồn cấp và khả năng phản hồi
- Siết lại các bu lông, ốc vít nếu cần
6. Vận hành thử sau bảo dưỡng
- Đóng/mở van nhiều lần để đảm bảo hoạt động ổn định
- Kiểm tra lại độ kín và khả năng vận hành trước khi đưa vào sử dụng chính thức
7. Lưu ý quan trọng
- Không vận hành van vượt quá áp suất và nhiệt độ cho phép
- Tránh để van ở trạng thái nửa mở trong thời gian dài nếu không cần điều tiết
- Ghi nhận lịch sử bảo dưỡng để dễ theo dõi và quản lý
Bảo dưỡng đúng cách và đều đặn sẽ giúp van bướm gang dạng wafer luôn hoạt động hiệu quả, an toàn và giảm chi phí sửa chữa trong suốt quá trình sử dụng.
Mua Van Bướm Gang Dạng Wafer Joeun Korea Chính Hãng
Với nhiều năm kinh nghiệm trong lĩnh vực cung cấp vật tư và thiết bị công nghiệp, Thép Vinh Phú tự hào là đơn vị phân phối van bướm gang dạng wafer Joeun Korea chính hãng, đáp ứng đầy đủ yêu cầu kỹ thuật cho các hệ thống cấp thoát nước, PCCC, HVAC, khí nén và hơi áp suất thấp.
Các sản phẩm do Thép Vinh Phú cung cấp đều có nguồn gốc xuất xứ rõ ràng, đầy đủ chứng từ CO–CQ, được kiểm tra kỹ lưỡng trước khi bàn giao. Van bướm gang dạng wafer Joeun Korea nổi bật với độ bền cao, độ kín tốt, vận hành ổn định và phù hợp với nhiều tiêu chuẩn lắp đặt phổ biến hiện nay.
Không chỉ đảm bảo chất lượng sản phẩm, Thép Vinh Phú còn mang đến giải pháp tối ưu về kỹ thuật và chi phí, cùng đội ngũ tư vấn am hiểu, hỗ trợ khách hàng lựa chọn đúng chủng loại van phù hợp với từng công trình. Uy tín – chất lượng – dịch vụ tận tâm chính là cam kết lâu dài mà Thép Vinh Phú dành cho mọi đối tác và khách hàng.
Hãy liên hệ ngay Thép Vinh Phú để nhận Báo Giá Mới & Tốt Nhất
Hotline: 0933 710 789
Một số thông tin liên quan:
CÔNG TY CỔ PHẦN THÉP VINH PHÚ
Nhà phân phối Thép & Thiết bị PCCC hàng đầu tại Hà Nội và trên toàn quốc
- Điện thoại: 0933 710 789 – 0934 297 789
- Email: ketoanthepvinhphu@gmail.com




