Mô tả
Mục lục
- Van 1 Chiều Lá Lật Joeun Korea – Gang Xám
- Thông Số Kỹ Thuật Van 1 Chiều Lá Lật Joeun Korea
- Cấu Tạo Của Van Một Chiều Lá Lật Joeun Korea
- Ưu Điểm Van Một Chiều Lá Lật Joeun Korea
- Ứng Dụng Của Van 1 Chiều Lá Lật Joeun Korea
- Hướng Dẫn Lắp Đặt Van 1 Chiều Lá Lật Joeun Korea
- Bảo Dưỡng Van Một Chiều Lá Lật Joeun Korea
- Vấn Đề Thường Gặp Và Cách Khắc Phục
- Nhà Phân Phối Chính Hãng Van 1 Chiều Joeun Korea
Trong các hệ thống đường ống, Van 1 chiều là thiết bị bắt buộc để ngăn dòng chảy ngược, bảo vệ máy bơm, đường ống và toàn bộ hệ thống vận hành ổn định. Chính vì vậy, việc lựa chọn một sản phẩm chất lượng – hoạt động tin cậy – tuổi thọ cao là yếu tố vô cùng quan trọng.
Van 1 Chiều Lá Lật Gang Joeun Korea ra đời nhằm đáp ứng chính nhu cầu đó. Sản phẩm được sản xuất bởi Joeun Korea – thương hiệu van công nghiệp uy tín hàng đầu Hàn Quốc, nổi tiếng với quy trình kiểm định nghiêm ngặt, vật liệu gang xám bền bỉ và thiết kế chuẩn quốc tế. Nhờ chất lượng ổn định và độ tin cậy cao, dòng van này đã được tin dùng rộng rãi trong các công trình dân dụng, nhà máy và hệ thống PCCC tại Việt Nam.

Van 1 Chiều Lá Lật Joeun Korea – Gang Xám
Van 1 chiều lá lật (tên tiếng Anh: Swing Check Valve) là loại van một chiều tự động, cho phép dòng chất lỏng hoặc khí chảy theo một hướng duy nhất và ngăn chặn hoàn toàn dòng chảy ngược lại. Van hoạt động không cần tác động bằng tay hay điện, mà dựa hoàn toàn vào áp lực dòng chảy trong hệ thống.
Thông Số Kỹ Thuật Van 1 Chiều Lá Lật Joeun Korea
Thông số kỹ thuật chính của sản phẩm:
- Model: Van 1 Chiều Lá Lật
- Vật liệu thân van: Gang cầu (ductile iron)
- Kích thước ống nối: DN40 – DN500
- Kiểu kết nối: Hai mặt bích
- Áp suất làm việc tối đa: PN10
- Nhiệt độ làm việc: Đến 60°C
- Môi trường sử dụng: Nước sạch, nước thải, hệ thống PCCC, HVAC
- Xuất xứ: Samwoo – Hàn Quốc
- Nhà phân phối: 12 tháng chính hãng

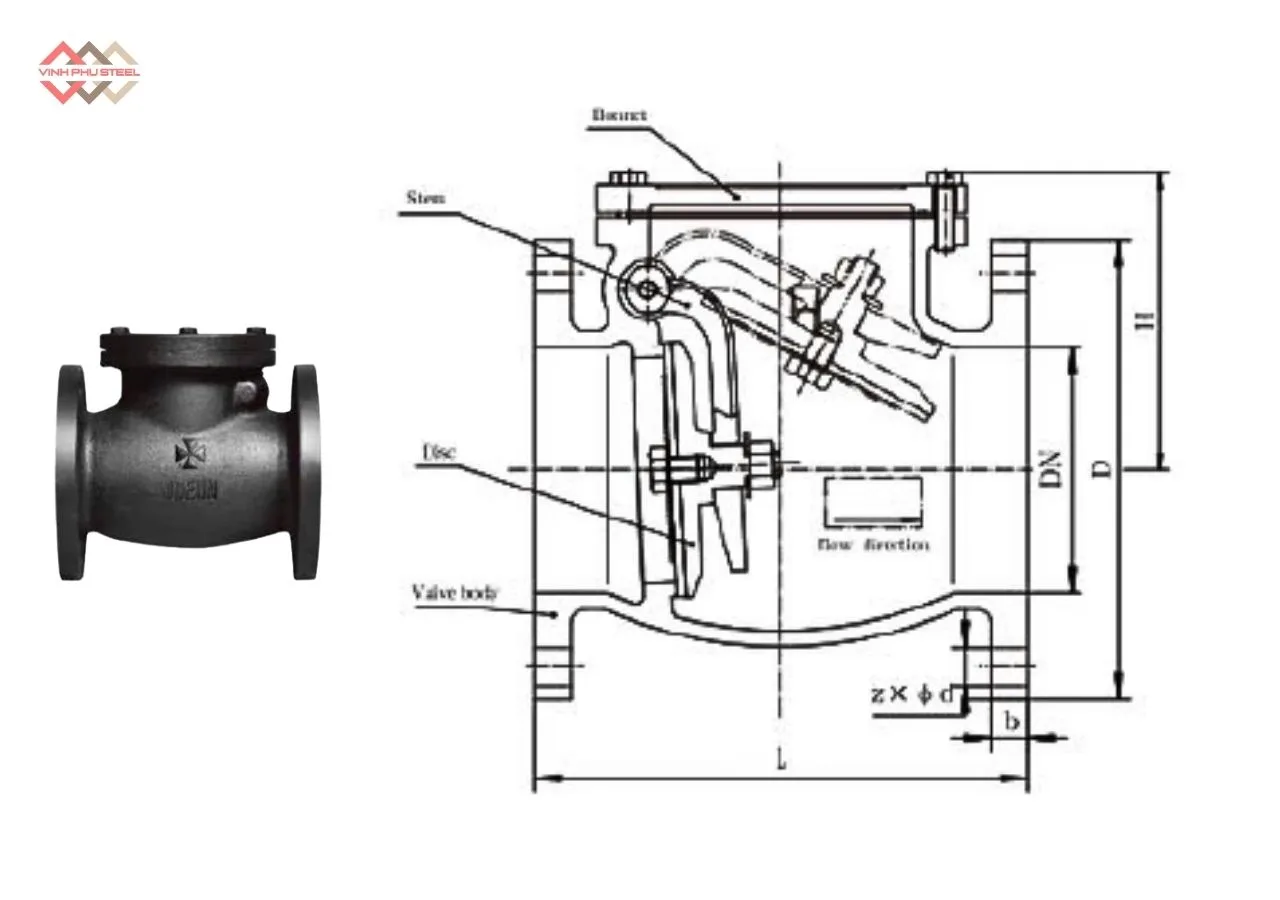
Cấu Tạo Của Van Một Chiều Lá Lật Joeun Korea
Van 1 chiều lá lật có thiết kế đơn giản nhưng hiệu quả, gồm các bộ phận chính sau:
1. Thân van (Body)
- Là phần vỏ bên ngoài, bao quanh toàn bộ van.
- Thường làm bằng gang xám, gang cầu, inox hoặc thép, tùy môi trường làm việc.
- Có mặt bích hoặc ren để kết nối với đường ống.
- Chịu áp lực, chịu nhiệt và bảo vệ các bộ phận bên trong.
2. Lá van (Disc)
- Là bộ phận chính quyết định việc đóng mở van.
- Hình tròn hoặc hình elip, gắn với bản lề trên thân van.
- Khi dòng lưu chất đi đúng chiều, lá van mở ra; khi dòng chảy ngược, lá van tự động đóng để ngăn dòng chảy ngược.
3. Trục lá van (Hinge/Pin)
- Là trục nối lá van với thân, cho phép lá van xoay linh hoạt.
- Thường làm bằng thép không gỉ để đảm bảo độ bền và chống ăn mòn.
4. Nắp van (Bonnet)
- Đậy trên thân van, giữ trục và lá van cố định.
- Dễ dàng tháo lắp để bảo trì hoặc thay thế lá van.
- Liên kết với thân van bằng bulong, đảm bảo kín khít.
5. Gioăng kín (Gasket/Seal)
- Nằm giữa lá van và thân van, giúp đóng kín, ngăn rò rỉ khi van ngừng dòng.
- Thường làm bằng cao su EPDM, NBR hoặc vật liệu chịu nhiệt khác.
6. Bản lề/Trụ bản lề (Hinge Pin Support)
- Giúp lá van xoay theo trục cố định, duy trì độ kín và ổn định khi vận hành.

Ưu Điểm Van Một Chiều Lá Lật Joeun Korea
Van 1 chiều lá lật là thiết bị được sử dụng rộng rãi trong các hệ thống công nghiệp, dân dụng và hạ tầng nhờ khả năng bảo vệ đường ống và thiết bị cực kỳ hiệu quả. Dưới đây là phân tích chi tiết các ưu điểm nổi bật:
1. Ngăn chặn dòng chảy ngược tuyệt đối
- Van 1 chiều lá lật hoạt động theo cơ chế tự động đóng khi dòng chảy đảo chiều, nhờ lá van gắn bản lề.
- Điều này giúp ngăn hiện tượng va đập thủy lực (water hammer), bảo vệ máy bơm, van khác và các thiết bị trong hệ thống khỏi hư hỏng do áp lực ngược.
- Khác với van 1 chiều lò xo, loại lá lật thích hợp cho dòng chảy mạnh và lưu lượng lớn, đảm bảo vận hành an toàn cho các hệ thống công suất cao.
2. Hoạt động hoàn toàn tự động
- Van không cần tác động bằng tay, điện hay khí nén để đóng mở.
- Lá van sẽ mở ra khi dòng chảy thuận và đóng lại khi dòng chảy ngược, giảm thiểu lỗi vận hành.
- Điều này tăng tính an toàn và giảm chi phí vận hành, đặc biệt trong các hệ thống lớn, không có người giám sát thường xuyên.
3. Thiết kế đơn giản nhưng hiệu quả
- Cấu tạo gồm thân van, lá van, trục bản lề và nắp van, ít chi tiết cơ học, giúp:
- Dễ dàng lắp đặt và tháo bảo trì.
- Giảm nguy cơ hỏng hóc cơ học.
- Gioăng và bản lề được thiết kế để đảm bảo độ kín khít và bền bỉ, ngay cả khi dòng chảy mạnh hoặc có chất lỏng ăn mòn nhẹ.
4. Độ bền cao và khả năng chịu lực tốt
- Thân van thường làm từ gang xám, gang cầu, inox, chịu được áp lực PN10 – PN16 và nhiệt độ lên đến 120°C (tùy vật liệu).
- Trục và lá van bằng thép không gỉ, chống ăn mòn, đảm bảo tuổi thọ cao ngay trong môi trường công nghiệp khắc nghiệt.
- Vật liệu gang xám giúp giá thành hợp lý, đồng thời chịu lực va đập và rung lắc tốt.
5. Tiết kiệm năng lượng và vận hành hiệu quả
- Khi dòng chảy thuận, lá van mở hoàn toàn, giảm áp lực cản dòng và tổn thất năng lượng.
- Không có van điện hay lò xo, nên hạn chế thất thoát năng lượng và giảm chi phí bảo dưỡng.
6. Đa dạng kết nối và ứng dụng
- Có thể kết nối mặt bích, ren hoặc hàn theo tiêu chuẩn quốc tế (JIS, ANSI, DIN).
- Kích thước đa dạng từ DN50 đến DN600+, đáp ứng cả hệ thống nhỏ lẻ và công nghiệp lớn.
- Phù hợp cho nước, khí, dầu, hơi nước, giúp linh hoạt ứng dụng trong nhiều ngành nghề: cấp thoát nước, PCCC, nhà máy xử lý nước thải, hệ thống hơi công nghiệp.
7. Độ tin cậy và tuổi thọ cao
- Van 1 chiều lá lật có thiết kế cơ học bền vững, ít hao mòn, và không phụ thuộc vào bộ điều khiển bên ngoài.
- Dòng van của Joeun Korea còn nổi tiếng với tiêu chuẩn sản xuất Hàn Quốc, đảm bảo độ kín, độ bền và vận hành ổn định lâu dài.
Ứng Dụng Của Van 1 Chiều Lá Lật Joeun Korea
Van 1 chiều lá lật là thiết bị không thể thiếu trong nhiều hệ thống công nghiệp và dân dụng nhờ khả năng ngăn dòng chảy ngược và bảo vệ thiết bị. Dưới đây là phân tích chi tiết các ứng dụng chính:
1. Hệ thống cấp thoát nước
- Sử dụng trong hệ thống nước sinh hoạt, nước sạch của khu dân cư, tòa nhà cao tầng và khu công nghiệp.
- Ngăn dòng chảy ngược từ bồn chứa hoặc máy bơm, đảm bảo áp lực ổn định và bảo vệ máy bơm.
- Thường kết hợp với máy bơm nước, bể chứa và đường ống chính.
2. Trạm bơm và hệ thống PCCC
- Trong trạm bơm công nghiệp và dân dụng, van ngăn dòng chảy ngược gây va đập thủy lực.
- Trong hệ thống phòng cháy chữa cháy (PCCC), giúp đảm bảo áp lực nước trong đường ống, sẵn sàng khi cần sử dụng.
- Đảm bảo vận hành liên tục và an toàn, tránh hư hỏng thiết bị quan trọng.
3. Nhà máy xử lý nước thải và công nghiệp
- Sử dụng trong các nhà máy xử lý nước thải, nước sạch để ngăn chất lỏng tràn ngược, bảo vệ bơm và van khác.
- Phù hợp với nhiều loại môi chất, bao gồm nước, nước thải, khí nén hoặc hơi nước.
- Giúp tối ưu vận hành hệ thống, giảm chi phí bảo dưỡng và thay thế thiết bị.
4. Hệ thống hơi, khí và dầu
- Van 1 chiều lá lật thích hợp cho đường ống hơi, khí nén, dầu nhẹ, nơi dòng chảy mạnh và lưu lượng lớn.
- Ngăn dòng chảy ngược có thể gây hư hại thiết bị hoặc tai nạn công nghiệp.
- Chịu được áp lực và nhiệt độ cao, đảm bảo vận hành an toàn trong môi trường công nghiệp.
5. Công trình dân dụng và thương mại
- Trong các tòa nhà cao tầng, bảo vệ máy bơm cấp nước và hệ thống PCCC.
- Dùng trong hệ thống bơm nước nóng, lạnh và hệ thống tuần hoàn, đảm bảo dòng chảy chỉ theo một chiều.
Hướng Dẫn Lắp Đặt Van 1 Chiều Lá Lật Joeun Korea
Để Valve 1 chiều lá lật hoạt động ổn định, bền bỉ và an toàn, việc lắp đặt đúng cách và tuân thủ các tiêu chuẩn kỹ thuật là yếu tố quan trọng. Dưới đây là hướng dẫn chi tiết từng bước:
1. Kiểm tra trước khi lắp
Trước khi lắp đặt van, cần thực hiện các bước kiểm tra cơ bản:
- Kiểm tra van: Mở nắp van (nếu có thể) để đảm bảo lá van, trục và gioăng kín không bị biến dạng, hư hỏng hay vỡ.
- Kiểm tra đường ống: Đảm bảo đường ống sạch, không còn cặn bẩn, mảnh kim loại hay vật thể lạ có thể cản trở vận hành của lá van.
- Xác định chiều dòng chảy: Trên thân van thường có mũi tên chỉ hướng dòng chảy. Cần tuân thủ tuyệt đối để van hoạt động đúng chức năng.
2. Chuẩn bị kết nối
Van 1 chiều lá lật có thể kết nối với đường ống bằng mặt bích, ren hoặc hàn, tùy loại van:
- Mặt bích: Kiểm tra tiêu chuẩn mặt bích (JIS, ANSI, DIN) phù hợp với hệ thống. Chuẩn bị gioăng cao su hoặc kim loại giữa van và mặt bích để đảm bảo khít và chống rò rỉ.
- Ren: Sử dụng băng tan PTFE hoặc gioăng chịu áp lực để kín, tránh rò rỉ.
- Hàn: Nếu van có thân phù hợp hàn, kiểm tra vật liệu thân và ống để hàn đúng tiêu chuẩn, tránh biến dạng do nhiệt.
- Chuẩn bị đầy đủ bulông, đai ốc, gioăng, dụng cụ siết và dụng cụ hỗ trợ.
3. Chọn vị trí lắp
- Vị trí lắp trên đường ống:
- Lắp ở đường thẳng, tránh các khúc cua, co ống hoặc máy bơm ngay trước van, để dòng chảy ổn định.
- Khoảng cách đoạn thẳng trước và sau van nên là 5–10 lần đường kính van (DN).
- Tránh lắp van nơi rung lắc mạnh hoặc nơi dễ bị va đập, vì có thể làm hỏng lá van hoặc trục.
- Đảm bảo van dễ tiếp cận để kiểm tra và bảo trì sau này.
4. Lắp đặt van
- Chiều dòng chảy: Lắp van theo mũi tên hướng dòng chảy trên thân van.
- Mặt bích: Siết đều các bulông theo hình sao, tránh bóp méo nắp hoặc thân van, đảm bảo gioăng kín khít.
- Ren: Quấn băng tan đều ren ống, siết vừa đủ, không quá mạnh để tránh nứt ren hoặc biến dạng van.
- Kiểm tra xem lá van có thể mở hoàn toàn và không bị cản trước khi cấp lưu chất.
5. Kiểm tra vận hành sau lắp
- Mở từ từ nguồn cấp chất lỏng để van từ từ mở.
- Quan sát lá van đóng/mở trơn tru và không bị kẹt.
- Kiểm tra rò rỉ tại các vị trí kết nối, đặc biệt là mặt bích, ren hoặc mối hàn.
6. Lưu ý quan trọng khi lắp
- Không lắp ngược chiều dòng chảy, sẽ gây dòng ngược, va đập thủy lực, hư hỏng máy bơm hoặc van.
- Tránh lắp trực tiếp trước van giảm áp hoặc máy bơm, nên có đoạn ống thẳng để dòng chảy ổn định.
- Không tác động mạnh hoặc rung lắc đường ống khi van chưa cố định.
- Nếu van được lắp trong đường ống đứng, cần đảm bảo lá van mở xuống theo hướng dòng chảy.
- Kiểm tra định kỳ gioăng, trục và lá van để đảm bảo hiệu suất vận hành lâu dài.
Bảo Dưỡng Van Một Chiều Lá Lật Joeun Korea
Để Van một chiều lá lật hoạt động ổn định, an toàn và bền bỉ, việc bảo dưỡng định kỳ theo quy trình chuẩn là cực kỳ quan trọng. Dưới đây là hướng dẫn chi tiết:
1. Tần suất bảo dưỡng
- Hệ thống bình thường (nước sạch, nước sinh hoạt): 6–12 tháng/lần.
- Hệ thống công nghiệp, nước thải hoặc môi chất ăn mòn: 3–6 tháng/lần.
- Hệ thống có dòng chảy mạnh hoặc nhiều cặn: kiểm tra định kỳ thường xuyên hơn, khoảng 1–3 tháng/lần.
2. Chuẩn bị trước khi bảo dưỡng
- Ngắt nguồn chất lỏng và xả hết áp lực trong đường ống.
- Chuẩn bị dụng cụ cần thiết: cờ lê, tua vít, búa cao su, gioăng thay thế, chất bôi trơn (nếu cần).
- Chuẩn bị vật liệu thay thế: gioăng cao su, trục bản lề, lá van dự phòng (nếu cần).
3. Tháo van ra khỏi hệ thống
- Nếu van kết nối mặt bích:
- Tháo bulông mặt bích, cẩn thận nâng van ra.
- Nếu van ren:
- Tháo van bằng dụng cụ phù hợp, không dùng lực mạnh gây nứt ren.
- Vệ sinh sơ bộ bên ngoài trước khi tháo để tránh bụi bẩn rơi vào hệ thống.
4. Kiểm tra các bộ phận chính
- Lá van:
- Kiểm tra dấu hiệu mòn, nứt, biến dạng hoặc bị kẹt.
- Vệ sinh cặn bẩn, vôi hóa hoặc tạp chất bám.
- Trục bản lề:
- Kiểm tra khớp xoay, bôi trơn nếu cần, đảm bảo lá van vận hành trơn tru.
- Gioăng kín:
- Kiểm tra độ đàn hồi và tình trạng mòn, thay mới nếu cần để đảm bảo độ kín khít.
- Thân và nắp van:
- Vệ sinh bề mặt, kiểm tra vết nứt, gỉ sét.
5. Vệ sinh và bôi trơn
- Lau sạch cặn bẩn, rỉ sét trên lá van, trục và thân van.
- Bôi trơn trục bản lề bằng mỡ chịu nước hoặc chất bôi trơn chuyên dụng, đảm bảo lá van đóng mở nhẹ nhàng.
6. Lắp lại van
- Đảm bảo lá van, trục và gioăng được đặt đúng vị trí.
- Lắp van vào đường ống theo đúng chiều dòng chảy.
- Siết bulông đều và vừa đủ, tránh làm biến dạng thân van hoặc nắp van.
7. Kiểm tra sau bảo dưỡng
- Mở từ từ nguồn chất lỏng, kiểm tra:
- Lá van mở đóng trơn tru, không kẹt.
- Không rò rỉ tại các điểm mặt bích, ren hoặc nắp van.
- Van vận hành êm, không có tiếng va đập hoặc rung lắc mạnh.
8. Lưu ý quan trọng
- Không dùng dụng cụ cứng hoặc búa kim loại tác động mạnh lên lá van.
- Nếu van bị mòn, nứt hoặc lá van hỏng, thay mới ngay để tránh hư hại hệ thống.
- Ghi chú lịch bảo dưỡng để thực hiện định kỳ, đặc biệt với hệ thống công nghiệp, nước thải, hơi hoặc dầu.
Vấn Đề Thường Gặp Và Cách Khắc Phục
Trong quá trình vận hành, Van một chiều lá lật có thể gặp một số vấn đề phổ biến. Việc nhận biết sớm và thực hiện biện pháp khắc phục đúng sẽ bảo vệ hệ thống, kéo dài tuổi thọ van và máy bơm. Dưới đây là phân tích chi tiết:
1. Van không đóng kín / rò rỉ dòng chảy ngược
Nguyên nhân:
- Gioăng kín bị mòn, hư hỏng hoặc lắp đặt sai vị trí.
- Lá van bị biến dạng, cong hoặc kẹt cặn bẩn.
- Trục bản lề bị mòn, gỉ sét, làm lá van không khít.
Biện pháp khắc phục:
- Thay gioăng mới đúng kích thước và vật liệu phù hợp.
- Vệ sinh hoặc thay lá van, đảm bảo bề mặt lá van nhẵn, không cặn bẩn.
- Kiểm tra và bôi trơn trục bản lề để lá van vận hành trơn tru.
- Kiểm tra chiều lắp van, đảm bảo mũi tên hướng dòng chảy đúng.
2. Van bị kẹt hoặc đóng mở chậm
Nguyên nhân:
- Cặn bẩn, rỉ sét hoặc vật thể lạ bám vào lá van hoặc trục.
- Lá van bị méo, trục bị cong hoặc bôi trơn kém.
- Dòng chảy quá yếu, không đủ lực mở lá van.
Biện pháp khắc phục:
- Tháo van, vệ sinh sạch cặn bẩn và gỉ sét.
- Kiểm tra trục bản lề, bôi trơn đúng loại mỡ chịu nước.
- Đảm bảo lưu lượng dòng chảy phù hợp với kích thước van.
- Thay lá van hoặc trục nếu bị biến dạng nặng.
3. Va đập thủy lực (water hammer)
Nguyên nhân:
- Van đóng quá nhanh khi dòng chảy đảo chiều.
- Hệ thống bơm hoặc ống quá dài, dòng chảy mạnh.
- Thiết kế đường ống không có đoạn thẳng đủ trước van.
Biện pháp khắc phục:
- Lắp van có bộ giảm chấn (damping) nếu hệ thống dòng chảy mạnh.
- Tăng đoạn ống thẳng trước van để dòng chảy ổn định.
- Kiểm tra áp lực và tốc độ dòng chảy, điều chỉnh bơm nếu cần.
4. Rò rỉ tại mặt bích hoặc kết nối
Nguyên nhân:
- Bulông siết không đều hoặc quá chặt.
- Gioăng không đúng tiêu chuẩn hoặc bị hỏng.
- Mặt bích hoặc thân van bị biến dạng.
Biện pháp khắc phục:
- Tháo van, kiểm tra và thay gioăng mới.
- Siết bulông theo hình sao, đều lực, tránh siết quá mạnh.
- Kiểm tra mặt bích và thân van, sửa hoặc thay nếu bị biến dạng.
5. Lá van bị ăn mòn hoặc mòn nhanh
Nguyên nhân:
- Chất lỏng ăn mòn (hóa chất, nước thải có axit, muối).
- Vật liệu van không phù hợp với môi trường làm việc.
Biện pháp khắc phục:
- Thay lá van bằng vật liệu chống ăn mòn (inox, thép hợp kim).
- Lựa chọn van có lớp phủ chống ăn mòn hoặc mạ bảo vệ.
- Kiểm tra định kỳ và vệ sinh van thường xuyên để giảm tác động hóa chất.
6. Van rung lắc hoặc phát ra tiếng ồn
Nguyên nhân:
- Dòng chảy không ổn định, gặp khúc cua hoặc co ống ngay trước van.
- Van lắp không đúng vị trí, không có đoạn ống thẳng trước van.
- Lá van quá nhẹ hoặc trục lỏng lẻo.
Biện pháp khắc phục:
- Lắp đoạn ống thẳng đủ dài trước và sau van (5–10 DN).
- Kiểm tra và siết chặt trục bản lề.
- Nếu cần, lắp van nặng hơn hoặc có bộ giảm chấn để giảm rung.
Nhà Phân Phối Chính Hãng Van 1 Chiều Joeun Korea
Thép Vinh Phú tự hào là đơn vị phân phối, cung cấp chính hãng van một chiều Joeun Korea, thương hiệu van công nghiệp hàng đầu Hàn Quốc, chuyên cung cấp các sản phẩm van 1 chiều lá lật, van 1 chiều lò xo, van mặt bích và van gang xám chất lượng cao. Với cam kết chất lượng – uy tín – giá cả hợp lý.
Lý do khách hàng tin tưởng Thép Vinh Phú:
- Sản phẩm chính hãng: Tất cả van Joeun Korea đều có tem mác, chứng nhận xuất xứ rõ ràng, đảm bảo chất lượng chuẩn quốc tế.
- Đa dạng chủng loại: Cung cấp van đa kích thước, nhiều loại kết nối (mặt bích, ren, hàn), phù hợp với hệ thống công nghiệp, dân dụng và PCCC.
- Hỗ trợ kỹ thuật chuyên nghiệp: Đội ngũ kỹ thuật của Thép Vinh Phú luôn tư vấn chọn van đúng tiêu chuẩn, lắp đặt, bảo dưỡng và xử lý sự cố nhanh chóng.
- Dịch vụ uy tín – tận tâm: Cam kết giao hàng đúng hẹn, giá cả cạnh tranh, giúp khách hàng yên tâm vận hành hệ thống.
Hãy liên hệ ngay Thép Vinh Phú để nhận báo giá mới & tốt nhất
Hotline: 0933 710 789
Một số thông tin liên quan:
CÔNG TY CỔ PHẦN THÉP VINH PHÚ
Nhà phân phối Thép & Thiết bị PCCC hàng đầu tại Hà Nội và trên toàn quốc
- Điện thoại: 0933.710.789 – 0934.297.789
- Email: ketoanthepvinhphu@gmail.com
- Website: www.thepvinhphu.com




